Trong bối cảnh ngành hàng hải đang chuyển mình mạnh mẽ sang số hóa và yêu cầu về an ninh hàng hải ngày càng trở nên gắt gao, việc lựa chọn thiết bị điều hướng không còn đơn giản là mua một chiếc máy thu tọa độ. Đối với các chủ tàu, mỗi thiết bị trên buồng lái phải là một mắt xích tin cậy, giúp tối ưu hóa vận hành và đảm bảo an toàn tuyệt đối.
NGR 3000 của NSR Marine đã chứng minh được vị thế là mẫu máy thu GNSS (Global Navigation Satellite System) hàng đầu, đáp ứng đầy đủ các tiêu chuẩn của tương lai. Dưới đây là 7 lý do chính tại sao NGR 3000 được các chủ tàu ưu tiên số 1 cho đội tàu.
Lý do đầu tiên và quan trọng nhất đối với mọi chủ tàu chính là tính tuân thủ (Compliance). Việc lắp đặt một thiết bị không đạt chuẩn có thể dẫn đến những rắc rối pháp lý, gây đình trệ hoạt động của tàu khi kiểm định.
Chuẩn IMO & IEC: NGR 3000 được thiết kế và chế tạo để đáp ứng hoàn hảo các nghị quyết IMO MSC.112 (73) và tiêu chuẩn kiểm thử IEC 61108-1.
Đăng kiểm uy tín: Thiết bị đã nhận được chứng chỉ phê duyệt kiểu (Type Approval) từ các tổ chức phân cấp hàng đầu thế giới như DNV (MED) và CCS. Tại Việt Nam, sản phẩm đã được chứng nhận bởi Đăng Kiểm VR

Giá trị cho chủ tàu: Khi trang bị NGR 3000, bạn hoàn toàn yên tâm khi tàu thực hiện các cuộc kiểm tra của Chính quyền cảng (PSC) tại bất kỳ quốc gia nào. Đây là "giấy thông hành" đảm bảo con tàu luôn hoạt động hợp pháp trên mọi tuyến hàng hải quốc tế.

Bước sang năm 2025 và 2026, các khu vực như Biển Đen hay Biển Baltic thường xuyên xảy ra hiện tượng phá sóng (jamming) GPS tại khu vực Biển Đỏ, Biển Đen, hải tặc Somali, căng thẳng, chiến tranh tại vùng Vịnh, Iran, Nga.... Việc chỉ phụ thuộc vào một hệ thống vệ tinh duy nhất là một rủi ro quá lớn khi bị phá sóng. NGR-3000 đã giải quyết được lo lắng đó.
Thu sóng đa hệ thống: NGR 3000 hỗ trợ đồng thời các hệ thống vệ tinh gồm : GPS ( Mỹ), GLONASS ( Nga) và Beidou (BDS)- Trung Quốc, đồng thời sẵn sàng cho hệ thống Galileo của Châu Âu.
Khả năng sinh tồn cao: Nhờ hệ thống thu 50 kênh song song, nếu một hệ thống vệ tinh (như GPS) bị nhiễu hoặc giả mạo, NGR 3000 có thể ngay lập tức tận dụng dữ liệu từ Beidou hoặc GLONASS, Galileo để duy trì vị trí.
Độ chính xác duy trì: Việc tiếp cận cùng lúc hàng chục vệ tinh giúp chỉ số HDOP luôn ở mức thấp (≤ 4), đảm bảo sai số vị trí luôn nằm trong ngưỡng an toàn từ 2.5m đến 10m.
NSR Marine đã đưa trải nghiệm sử dụng thiết bị hàng hải lên một tầm cao mới, giúp giảm bớt áp lực và sai sót cho sỹ quan trực ca.
Thao tác như Smartphone: Màn hình màu LCD 7 inch với công nghệ cảm ứng hoàn toàn cho phép thực hiện mọi cài đặt chỉ bằng những cú chạm nhẹ.
Giao diện trực quan: Các biểu tượng và menu được thiết kế khoa học, giúp sỹ quan nhanh chóng truy cập vào các tính năng quan trọng như lập lộ trình (Route), đánh dấu điểm đường (Waypoint) hay kiểm tra trạng thái vệ tinh.
Tối ưu hóa tầm nhìn: Độ sáng và độ tương phản cao, hỗ trợ nhiều chế độ hiển thị dữ liệu điều hướng, đảm bảo thông tin luôn rõ nét dưới mọi điều kiện ánh sáng trong buồng lái.
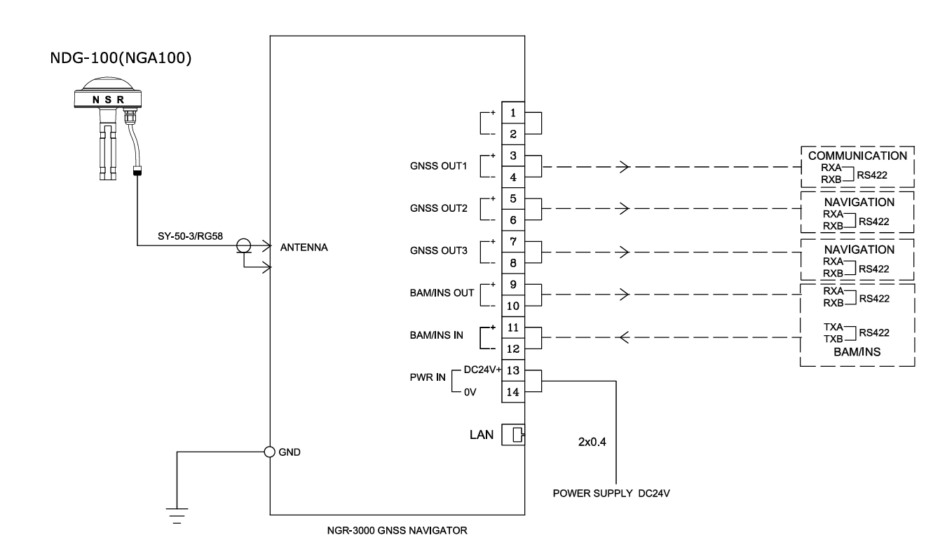
Một thiết bị định vị hàng hải tốt phải là một "thiết bị giao tiếp" giỏi. NGR 3000 được thiết kế để trở thành hub dữ liệu trung tâm.
3 Cổng RS422 độc lập: Cho phép truyền dữ liệu NMEA0183 đồng thời cho Radar, AIS và ECDIS mà không cần bộ chia tín hiệu phức tạp.


Tích hợp BAM/INS: Thiết bị hoàn toàn tương thích với hệ thống Quản lý báo động buồng lái (BAM) theo tiêu chuẩn IMO MSC.302 (87), giúp tập trung hóa các cảnh báo và giảm thiểu sự nhiễu loạn cho thuyền viên.
Cổng LAN tốc độ cao: Sẵn sàng cho các mạng lưới dữ liệu tích hợp hiện đại nhất hiện nay, đảm bảo khả năng tương thích lâu dài trong ít nhất 10 năm tới.
Đối với các chủ tàu vận hành tàu công trình, tàu khảo sát hoặc tàu chạy luồng lạch hẹp, độ chính xác của GPS thông thường đôi khi là chưa đủ.
Hỗ trợ DGPS Beacon: NGR 3000 cho phép nâng cấp lên hệ thống DGPS bằng cách kết nối với bộ thu Beacon NDG-100 và ăng-ten NDA200.
Triệt tiêu sai số: Nhờ tiếp nhận tín hiệu hiệu chỉnh từ các trạm mặt đất, sai số vị trí có thể được rút ngắn xuống dưới 1 mét. Đây là tính năng "vàng" giúp tăng cường tính an toàn khi tàu thực hiện các thao tác kỹ thuật tỉ mỉ trên biển.
Độ bền là yếu tố quyết định đến lợi nhuận của chủ tàu thông qua việc giảm thiểu chi phí sửa chữa và thay thế.
Ăng-ten NGA100 chuẩn IP66: Hoàn toàn kín nước, chống chịu được luồng nước mạnh và sự ăn mòn của muối biển.
Nguồn điện dải rộng (12-36V DC): Giúp thiết bị hoạt động ổn định trước những biến động điện áp thường gặp khi tàu khởi động máy chính hoặc các thiết bị công suất lớn.
Khoảng cách an toàn la bàn cực thấp: Chỉ từ 0.15m đến 0.20m, cho phép linh hoạt lắp đặt trong các buồng lái có không gian hạn chế mà không gây nhiễu cho các thiết bị từ tính.
Lý do cuối cùng nhưng cực kỳ quan trọng là niềm tin vào dữ liệu. NGR 3000 không chỉ cung cấp vị trí, nó còn cho bạn biết vị trí đó có đáng tin hay không.
Tính năng RAIM: Hệ thống tự động giám sát tính toàn vẹn của máy thu (Receiver Autonomous Integrity Monitoring). Nếu tín hiệu vệ tinh có dấu hiệu bất thường hoặc bị giả mạo, RAIM sẽ phát cảnh báo ngay lập tức.
Báo động đa dạng: Từ báo động mất vị trí (Lost of Position), báo động HDOP cao đến báo động chệch hướng lộ trình (XTE), mọi rủi ro đều được kiểm soát chặt chẽ.
Quản lý hành trình khổng lồ: Khả năng lưu trữ 999 Waypoints và 30 Routes giúp các chuyến hành trình dài trở nên khoa học và dễ quản lý hơn bao giờ hết.
| Lợi ích | Giá trị thực tế mang lại |
| Giảm chi phí bảo trì | Phần cứng bền bỉ (IP66), màn hình cảm ứng hạn chế lỗi cơ học của phím bấm. |
| Tiết kiệm vật tư | Tích hợp sẵn 3 cổng đầu ra, không cần mua thêm bộ chia dữ liệu NMEA. |
| An toàn vận hành | Công nghệ Multi-GNSS giúp tàu không bị lạc hướng khi gặp phá sóng GPS. |
| Tuân thủ pháp lý | Luôn đạt chuẩn IMO/DNV/CCS, tránh các án phạt hoặc đình chỉ từ PSC. |
| Hiệu suất thuyền viên | Giao diện cảm ứng 7 inch giúp thao tác nhanh, chính xác, giảm áp lực cho sỹ quan. |
Đầu tư vào NGR 3000 không chỉ là mua một chiếc máy định vị, mà là trang bị cho con tàu một nền tảng điều hướng vững chắc, sẵn sàng ứng phó với mọi thách thức của đại dương hiện đại. Với sự kết hợp hoàn hảo giữa tính pháp lý, công nghệ Multi-GNSS tiên tiến, giao diện cảm ứng hiện đại và khả năng kết nối không giới hạn, NGR 3000 xứng đáng là trung tâm của mọi buồng lái tàu biển.
Giữa những biến động của biển cả và sự phức tạp của công nghệ phá sóng, hãy để NGR 3000 là "người dẫn đường" tin cậy nhất cho đội tàu của bạn.
Nếu bạn cần thêm thông tin hỗ trợ, hãy liên hệ chúng tôi theo số ĐT/Zalo : 0865. 085. 436